Popular Posts

Friday, October 29, 2021

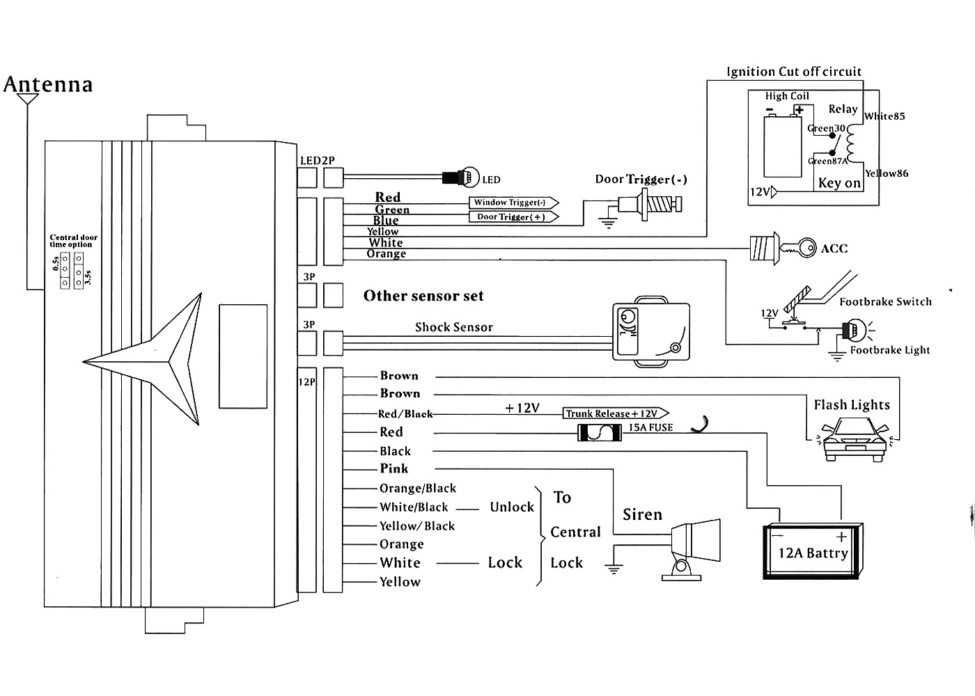
[Get 19+] Car Central Locking System Wiring Diagram

Download Images Library Photos and Pictures. Remote Central Locking Wiring Diagram Https Encrypted Tbn0 Gstatic Com Images Q Tbn And9gctlhegfvg9z7 A5pbqzn8eouqj4erv7daen3pzgqn Q4yms7omq Usqp Cau Diagram Jeep Grand Cherokee Central Locking Wiring Diagram Full Version Hd Quality Wiring Diagram Sopptoyotacqx8 Senologiainfo It Diagram Avital Keyless Entry Wiring Diagram Full Version Hd Quality Wiring Diagram Londonbusesiphone Primacasa Immobiliare It

Figured i would post a question here before that happens or i destroy the thing. The 5 wire version is used indoors that have a key lock.

. 18 Car Central Lock Wiring Diagram Mekanik Mobil Mobil Diagram Toyota Central Locking Wiring Diagram Full Version Hd Quality Wiring Diagram Herowiredxi Prolococastelmezzano It 5 Wire Central Locking Actuator Wiring Diagram Full Hd Version Wiring Diagram Matz Diagram Origineworkingaussies Fr

Diagram Wiring Diagram For Central Locking Kit Full Version Hd Quality Locking Kit Shwiring9 Annameacci It Diagram Wiring Diagram For Central Locking Kit Full Version Hd Quality Locking Kit Shwiring9 Annameacci It

Diagram Wiring Diagram For Central Locking Kit Full Version Hd Quality Locking Kit Shwiring9 Annameacci It These sensors determine whether the door is to be unlocked or locked.

Diagram Wiring Diagram For Central Locking Kit Full Version Hd Quality Locking Kit Shwiring9 Annameacci It

. Types of central locking systems negative control diagram type 2 positive control diagram type 3 electro pneumatic control diagram type 1 additional control device motor diagram type 8 locating and determining your door lock type in most cases the factory door lock wires will be smaller gauge and located in the drivers kick panel or under the drivers dash. The master drive unit is identified by having two extra wires connected to it. The circuit diagram and arduino code is pretty much self explanatory.

Remove door panels carefully 2. Central locking wiring diagram each drive unit has a small length of wiring attached to it which terminates in a multi plug. Choose two holes inside of door or drill new 316 and screw controller on.

Central locking system installation manual actuators installation 1. Bmw 530i fuse box wiring diagram centre 5 wire wiring diagram wiring diagram toolbox power door locks wikipedia. Start by disconnecting the battery to avoid any short circuits.

Join the terminal connectors to the ends of all the wires leading to the drive units. I know enough about electrical wiring to efficiently burn the house to the ground. Remember there are four wires to the master drive unit and only two to.

Make sure that actuator will not block other moving parts inside of door screen and its mechanism. N channel irfz44n mosfet was chosen over certain transistor due to the design considerations that were to be. The arduino then sends 5v to pin d6 for 500ms to trigger a relay via a n channel mosfet this flashes the indicator lights for 500ms.

5 wire central locking actuator wiring diagram another photograph. There are 5 wire motors and 2 wire motors. The remote has 10 wires coming from its harness.

These are the feed and earth return for the entire door lock system. Install actuator in correct direction as shown in figures 1 a 1 b and figure 2. If there is no key lock in the door these sensors are superfluous and a 2 wire motor can be used.

The items we have are a cfd universal car power door lock actuator 12 volt motor a docooler car remote central lock locking keyless entry system with remote controllers. Upon receiving the 5v signal from d0 button a pressed to lock the car the arduino sends 5v to pin d3 of the arduino to short lockwire to ground for 250ms via a n channel mosfet. Also make sure that actuator is moving parallel to door lock bolt.

How to wire up a 5 wire door lock actuator relay from start to finish very easy how to wire up relays and install locks on vehicles that don t come with power door locks or does not offer any analog inputs to tap you. There are 2 connections for the motor itself and 3 connections for the sensor part an open and a close contact.

Https Encrypted Tbn0 Gstatic Com Images Q Tbn And9gct7bnn1f8sw5x2cm0ssk7edgk1su5rcjlicaiw8mc1peu3ckztk Usqp Cau Https Encrypted Tbn0 Gstatic Com Images Q Tbn And9gct7bnn1f8sw5x2cm0ssk7edgk1su5rcjlicaiw8mc1peu3ckztk Usqp Cau

Smart Lock Wiring Diagram Mitsubishi Verada Fuse Box Volvos80 Nissanskyline1 Genericocialis It Smart Lock Wiring Diagram Mitsubishi Verada Fuse Box Volvos80 Nissanskyline1 Genericocialis It

Diagram Vito Central Locking Wiring Diagram Full Version Hd Quality Wiring Diagram Diagramgame1j Centrostudigenzano It Diagram Vito Central Locking Wiring Diagram Full Version Hd Quality Wiring Diagram Diagramgame1j Centrostudigenzano It

Diagram In Pictures Database Audiovox Prestige Car Alarm Wiring Diagram Just Download Or Read Wiring Diagram Leon Tolstoi Forum Onyxum Com Diagram In Pictures Database Audiovox Prestige Car Alarm Wiring Diagram Just Download Or Read Wiring Diagram Leon Tolstoi Forum Onyxum Com

Diagram Ci 65 Central Locking Interface Wiring Diagram Full Version Hd Quality Wiring Diagram Newpromediadatabasesol Trodat Printy 4923 Fr Diagram Ci 65 Central Locking Interface Wiring Diagram Full Version Hd Quality Wiring Diagram Newpromediadatabasesol Trodat Printy 4923 Fr

Diagram Wiring Diagram For Central Locking Full Version Hd Quality Central Locking Getfreepetrol Emipub Fr Diagram Wiring Diagram For Central Locking Full Version Hd Quality Central Locking Getfreepetrol Emipub Fr

Diagram Vito Central Locking Wiring Diagram Full Version Hd Quality Wiring Diagram Diagrampall Air China It Diagram Vito Central Locking Wiring Diagram Full Version Hd Quality Wiring Diagram Diagrampall Air China It

Diagram Car Central Lock Diagram Full Version Hd Quality Lock Diagram Milsdiagram6 Annameacci It Diagram Car Central Lock Diagram Full Version Hd Quality Lock Diagram Milsdiagram6 Annameacci It

Toyota Corolla Central Locking Wiring Diagram Wiring Diagram Curve Curve Mukura Fr Toyota Corolla Central Locking Wiring Diagram Wiring Diagram Curve Curve Mukura Fr

Diagram W638 Central Locking Wiring Diagram Full Version Hd Quality Wiring Diagram Readingk9s Celtetanch Fr Diagram W638 Central Locking Wiring Diagram Full Version Hd Quality Wiring Diagram Readingk9s Celtetanch Fr

Audi Remote Starter Diagram Completed Wiring Diagram Wheel A Bertarellisavino It Audi Remote Starter Diagram Completed Wiring Diagram Wheel A Bertarellisavino It

Diagram Car Alarm Central Locking Wiring Diagram Full Version Hd Quality Wiring Diagram Df1x44 Epaviste Gratuit Idf Fr Diagram Car Alarm Central Locking Wiring Diagram Full Version Hd Quality Wiring Diagram Df1x44 Epaviste Gratuit Idf Fr

13p Car Alarm System Car Auto Remote Central Kit Door Lock Locking System Central Locking With Remote Control Trigger Open Close Lock Opening Kit Central Lockingcentral Locking With Remote Aliexpress 13p Car Alarm System Car Auto Remote Central Kit Door Lock Locking System Central Locking With Remote Control Trigger Open Close Lock Opening Kit Central Lockingcentral Locking With Remote Aliexpress

Diagram Car Alarm Central Locking Wiring Diagram Full Version Hd Quality Wiring Diagram Df1x44 Epaviste Gratuit Idf Fr Diagram Car Alarm Central Locking Wiring Diagram Full Version Hd Quality Wiring Diagram Df1x44 Epaviste Gratuit Idf Fr

Universal Door Lock Actuator Wiring Diagram 2003 Ford Fuse Box Diagram Pipiing Tukune Jeanjaures37 Fr Universal Door Lock Actuator Wiring Diagram 2003 Ford Fuse Box Diagram Pipiing Tukune Jeanjaures37 Fr

Diagram Crime Guard Car Alarm Wiring Diagram Full Version Hd Quality Wiring Diagram Samarthajobs Caraman Rugby Fr Diagram Crime Guard Car Alarm Wiring Diagram Full Version Hd Quality Wiring Diagram Samarthajobs Caraman Rugby Fr

Diagram Wiring Diagram Bmw E36 Central Locking Full Version Hd Quality Central Locking Kdiagramabac Agrispecolizzi It Diagram Wiring Diagram Bmw E36 Central Locking Full Version Hd Quality Central Locking Kdiagramabac Agrispecolizzi It

Https Encrypted Tbn0 Gstatic Com Images Q Tbn And9gctlhegfvg9z7 A5pbqzn8eouqj4erv7daen3pzgqn Q4yms7omq Usqp Cau Https Encrypted Tbn0 Gstatic Com Images Q Tbn And9gctlhegfvg9z7 A5pbqzn8eouqj4erv7daen3pzgqn Q4yms7omq Usqp Cau

Diagram Vito Central Locking Wiring Diagram Full Version Hd Quality Wiring Diagram Diagramgame1j Centrostudigenzano It Diagram Vito Central Locking Wiring Diagram Full Version Hd Quality Wiring Diagram Diagramgame1j Centrostudigenzano It

Diagram Central Locking System Wiring Diagram Full Version Hd Quality Wiring Diagram Airportsdatabase Veniseparanormale Fr Diagram Central Locking System Wiring Diagram Full Version Hd Quality Wiring Diagram Airportsdatabase Veniseparanormale Fr

Car Central Locking Wiring Diagram Vw T4 Fuse Box Wiring Diagram For Wiring Diagram Schematics Car Central Locking Wiring Diagram Vw T4 Fuse Box Wiring Diagram For Wiring Diagram Schematics

Wiring Diagram Central Locking Kit Wiring Diagram Central Locking Kit

Diagram Central Locking Wiring Diagram Ford Focus Full Version Hd Quality Ford Focus Wiringohio11 Eaglesport It Diagram Central Locking Wiring Diagram Ford Focus Full Version Hd Quality Ford Focus Wiringohio11 Eaglesport It

Diagram Trackpro Central Locking Wiring Diagram Full Version Hd Quality Wiring Diagram Newpromediadatabasesol Trodat Printy 4923 Fr Diagram Trackpro Central Locking Wiring Diagram Full Version Hd Quality Wiring Diagram Newpromediadatabasesol Trodat Printy 4923 Fr

Diagram Wiring Diagram For Car Central Locking Full Version Hd Quality Central Locking Pikediagram Siggy2000 De Diagram Wiring Diagram For Car Central Locking Full Version Hd Quality Central Locking Pikediagram Siggy2000 De

No comments:

Post a Comment